Парусная лодка

Поделки из дерева и фанеры

Парусная лодка www.HolidaySoon.org

Из деревянного бруска (лучше соснового) можно изготовить модель парусной лодки, которая не утонет даже в море.

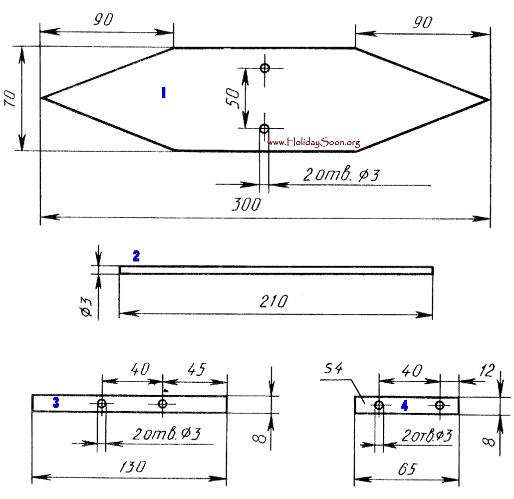
Детали модели:

  1. Верхняя рея - 1 деталь.
  2. Парус - 1 деталь.
  3. Нижняя рея - 1 деталь.
  4. Мачта - 2 детали.
  5. Корпус - 1 деталь.

Порядок сборки модели:

Порядок сборки модели парусной лодки - www.HolidaySoon.org

Варианты моделей парусной лодки:

Варианты моделей парусной лодки - www.HolidaySoon.org

Чертеж деталей деревянной парусной лодки

Чертеж деталей деревянной парусной лодки www.HolidaySoon.org